

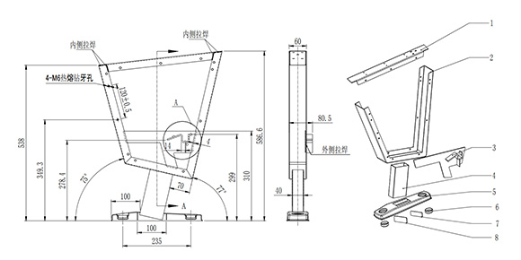
站脚尺寸及技术要求:
1:.表面防锈静电喷涂处理黑色。
2:焊接点无虚焊无裂纹。
3:提供站脚小样一个。
二、技术要求
1.座椅根据人体工程学原理及形态美学设计制造,座软包和背软包弧度完全符合人体原理曲线,扶手框和底脚采用优质热轧板冲压成型,脚管采用优质热轧板经二氧化碳焊接成型,表面采用防锈静电喷亚光黑处理。座高和座深合理,坐感舒适,座垫可自动回复,座椅外观简洁而美观。
2.座椅基本中心距为590±1.0mm,座包打开侧深708±1.0mm,座包深度450±1.0mm,基本椅高为1000±1.0mm。最小排距:900mm。
3.在保证观众舒适度的前提下,背垫高不超过1000mm,增加椅背板的声反射面积,改善座椅的吸声;座底板根据需要打吸音孔,使座椅的吸声量在不同的上座率尽可能保持一致。
4.写字板采用铝合金模具压铸成型,配铝合金旋转功能转头,面板采用高密度中纤板,外压三胺板,四周PVC封边,尺寸规格:长度为270±1.0mm,宽度为250±1.0mm,厚度为12mm。扶手盖和写字板向上倾斜6.5度保证书写舒适自然状态,打开回收时需带消音功能,不可有反弹力与燥音的出现。
5.面料采用高档针织面料,并经防静电、防蛀处理,手感舒适,长时间使用无皱褶、断裂、起球、褪色现象。
6.座椅泡绵均为聚氨酯冷发泡高回弹定型海绵,座海棉尺寸:长度为470±1.0mm,宽度为460±1.0mm,高度为150±1.0mm,海棉密度为50-55KG/M3,背海棉尺寸:上背海棉长度为460±1.0mm,宽度为285±1.0mm,高度为80±1.0mm,下背海棉长度为405±1.0mm,宽度为460±1.0mm,高度为155±1.0mm,海棉密度为40-45KG/M3,强度高,回弹性好,独特配方,使泡绵具有抗菌性,能有效杀灭大肠杆菌等病菌。
7.所有的钢材都使用最优质钢材,焊接件采用机器人焊接,焊接质量高。扶手支架采用冷轧板或型材冲压成型,表面经表面经脱脂→清洗→去锈→清洗→磷化→清洗→钝化→粉末静电喷涂→固化→冷却然后采用环氧树脂30微米静电喷涂,保证盐浴72小时漆膜耐腐蚀试验不生锈。
8.座椅扶手盖:采用优质进口橡木实木,曲线造型,不变形、不开裂。外露木制件表面喷环保聚酯漆,其有害物质含量均达到绿色环保标准。
9.座、背外板:采用优质高密度硬木多层板,经模具压弯成型,外型成弧型,美观大方,具有曲线美,不褪色,抗变型。背外板规格:上背外板规格:长度为490±1.0mm,宽度为285±1.0mm,厚度为15mm,下背外板规格:长度为490±1.0mm,宽度为425±1.0mm,厚度为15mm。座外板尺寸规格:长度为440±1.0mm,宽度为415±1.0mm,厚度为12mm。
10.背内板:采用优质夹板经模具压弯成型。外型成弧型,美观大方,具有曲线美。尺寸规格:上背内板尺寸规格:长度为420±1.0mm,宽度为265±1.0mm,厚度为6 mm,下背内板尺寸规格:长度为420±1.0mm,宽度为405±1.0mm,厚度为6 mm。座铁框:采用高度强度优质碳素钢板冲压折弯焊接成形,同时增加5条直径2.5mmS形蛇簧,保证座椅的舒适度。尺寸规格:长度420±1.0mmm,宽度为410±1.0mm,高度为56±1.0mm。
11.座垫自动回复,定位精确,保证确保与扶手平行,保证产品美观,回复机构采用阻尼慢回复机构,两级缓冲先快后慢,使座包3秒内可回复到位,具备逃生及消音功能,座包回复碰撞部位增加橡胶垫防撞降噪,使座包打开无噪音,回复缓慢无冲击性撞击。
12.扶手站脚:采用优质1.5mm厚碳素冷轧钢经模具冲压、焊接、打磨、除油除锈后静电喷涂而成,坚固耐用,防锈耐腐蚀,脚管采用80×427×586优质热轧板经二氧化碳焊接成型,表面采用防锈静电喷亚光黑处理。左右两侧配有侧板并面覆麻绒布,美观且防撞,采用优质面料(绒布+2mm海绵)+中纤板三层结构组成,尺寸规格:长度为388mm,宽度为440mm,厚度为:4mm。
13.座椅固定方式采用隐藏式压爆螺丝固定地面,外观特别设计塑料防尘盖,保证椅脚平滑美观的同时防止积尘,便于清洁。
14.要求提供单人位整椅样品一组;提供扶手站脚配件小样一个,扶手向上倾斜6.5度保证书写舒适,自然状态;未按要求提供样品的或提供样品不符合要求的样品分不得分。








