



铝合金写字板尺寸及技术要求:
1.铸造过程不得有较大气孔、疏松、夹渣等不良现象。
2.站脚成型后周边不能有毛刺、飞边。
3.表面喷砂处理。
铝合金站脚尺寸及技术要求:
1.铝合金扶手框净重量≥3.6KG。
2.铸造过程不得有较大气孔、疏松、夹渣等不良现象。
3.站脚成型后周边不能有毛刺、飞边。
4.表面喷砂处理。
二、技术要求
1.座椅根据人体工程学原理及形态美学设计制造,座软包和背软包弧度完全符合人体原理曲线,扶手脚采用铝合金材质一体压铸成型。座高和座深合理坐感舒适,座垫可自动回复,座椅外观简洁而美观。
2.座椅基本中心距为565±10mm,座包打开侧深685±10mm,座包深度440±10mm,基本椅高为1000±10mm。
3.在保证观众舒适度的前提下,背垫高不超过1000mm,增加椅背板的声反射面积,改善座椅的吸声;座底板根据需要打吸音孔,使座椅的吸声量在不同的上座率尽可能保持一致。
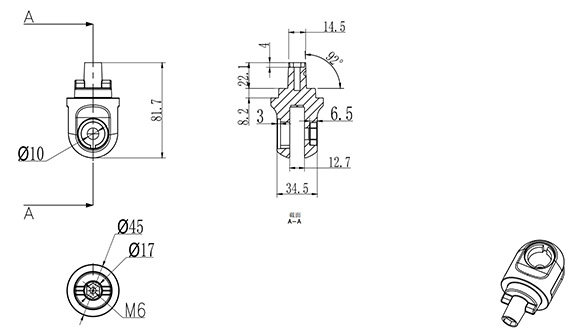
4.下藏式写字板:写字板链接铝头、托板采用优质铝合金材料经模具一体压铸成型。写字板面板采用ABS复合材料经模具一体注塑成型,写字板固定方式为机械原理高强度螺栓,使写字板链接部位越用越结实,不会出现松弛现象,尺寸规格:长度为381±10mm,宽度为261±10mm,厚度为45±10mm,写字板打开回收时需带消音功能,不可有反弹力与噪音出现。
5.面料采用高档麻绒、平绒,并经防静电、防蛀处理,手感舒适,长时间使用无皱褶、断裂、起球、褪色现象。
6.座椅泡绵均为聚氨酯冷发泡高回弹定型海绵,强度高,回弹性好,独特配方,使泡绵具有抗菌性,能有效杀灭大肠杆菌等病菌。座海棉尺寸:长度为450±10mm,宽度为488±10mm,高度为40±10mm,海棉密度为50~55KG/M3,背海棉尺寸:长度为780±10mm,宽度为507±10mm,高度为85±10mm,海绵密度为45-50KG/M3。
7.座椅扶手盖:采用优质进口橡木实木,曲线造型,不变形、不开裂。外露木制件表面喷环保聚酯漆,其有害物质含量均达到绿色环保标准。尺寸规格:长度为355±10mm,宽度为72±10mm,厚度为20±10mm。
8.座、背外壳采用优质PP(聚丙烯)+纤复合材料注塑成型。外型成弧型,美观大方,不褪色抗变型,具有曲线美。背外壳尺寸:背外壳尺寸:长度为780±10mm,宽度为507±10mm,厚度为4.0mm。座外壳尺寸:长度为450±10mm,宽度为488±10mm,厚度为4.0mm。
9.座垫自动回复定位精确,保证确保与扶手平行,保证产品美观,回复机构采用双扭簧加气杆阻尼慢回复机构,两级缓冲先快后慢,使座包3秒内可回复到位,具备逃生及消音功能,座包回复碰撞部位增加橡胶垫防撞降噪,使座包打开无噪音,回复缓慢无冲击性撞击。
10.铝合金站脚:采用优质铝合金材料,铝合金扶手宽≥50mm, 重≥3.6KG。扶手抛光面采取带弧面设计,以保证产品的满饱美观性。 尺寸规格:长度为675±2mm,宽度为422±2mm,高度为90±2mm。
11.侧板采用优质ABS塑料经模具一体注塑成型,尺寸规格:长度为600±2mm,宽度为385±2mm。
12.座椅固定方式采用隐藏式压爆螺丝固定地面,外观特别设计塑料防尘盖,保证椅脚平滑美观的同时防止积尘,便于清洁。
13.要求提供单人位整椅样品一组;提供扶手站脚配件小样一个,铝合金扶手宽≥50mm, 重≥3.6KG,扶手向上倾斜6.5度保证书写舒适,自然状态;未按要求提供样品的或提供样品不符合要求的样品分不得分。








